电磁继电器怎么接线,电磁继电器接线方法示意图?
发布时间:2022-09-07 16:34:42点击量:
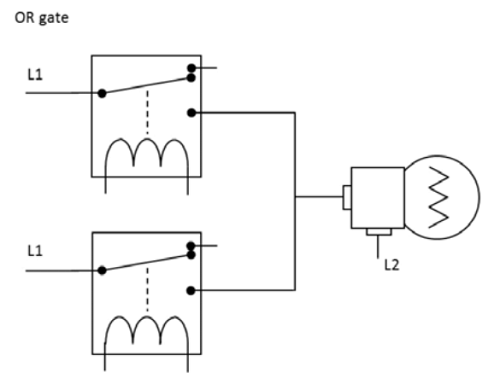
电磁继电器和两个逻辑门的示意图。图1显示了一个单极继电器。只有当线圈被电流激活时,公共(C)抽头才会改变其位置,从而与NO端子接触。图2显示了具有两组触点的双极继电器。中间部分显示了一个与门。只有当两个继电器的线圈被激活时,电流才会从L1流向L2,从而打开右侧的灯泡。图3显示了一个或门。当一个或两个继电器线圈被激活时,灯泡就会亮起。




电磁继电器和两个逻辑门的示意图。图1显示了一个单极继电器。只有当线圈被电流激活时,公共(C)抽头才会改变其位置,从而与NO端子接触。图2显示了具有两组触点的双极继电器。中间部分显示了一个与门。只有当两个继电器的线圈被激活时,电流才会从L1流向L2,从而打开右侧的灯泡。图3显示了一个或门。当一个或两个继电器线圈被激活时,灯泡就会亮起。



