电流互感器(CT)和电压互感器(PT)的区别
发布时间:2021-08-19 16:36:51点击量:
电流互感器(CT)和电压互感器(PT)是仪表互感器类型,用于将输电或配电线路的电压和电流降低到可以使用测量设备测量或使用控制设备进行控制的水平。某类CT和PT的工作原理类似于电力变压器。这是CT和PT之间的基本区别。电压互感器在一些国家也被称为电压互感器。
电流互感器与电压互感器/电压互感器的区别
以下是电流互感器和电压互感器之间的区别:

电流互感器与电压互感器的连接方式:


CT与PT的接线区别
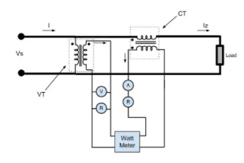
CT和PT的接线区别可以从下图理解??梢宰⒁獾剑缌骰ジ衅鞔拥礁涸?,而电压互感器或电压互感器连接在负载两端。此外,测量设备串联连接到CT次级,而它们并联连接到PT次级。



