红外传感器探测电路原理图及传感器设备应用
近红外区用于光纤和红外传感器,中红外区用于热传感,远红外区用于热成像。红外的频率范围与微波相比最大,与可见光相比最小。本文论述了红外传感器探测电路原理图及传感器设备应用。

红外传感器的工作原理可以理解为红外传感器包括发射器和接收器(发射器和接收器),所以统称为光耦或光耦合器。这里,红外发光二极管用作发射器,红外光电二极管用作接收器。使用的光电二极管对红外LED产生的红外光非常敏感。光电二极管的电阻和输出电压可以与获得的红外光成比例地变化。
红外传感器的类型:
?。?)有源红外传感器
(2)无源红外传感器
有源红外传感器:
有源红外传感器由两部分组成:红外源和红外探测器。红外光源包括 LED 或红外激光二极管。红外探测器包括光电二极管或光电晶体管。红外光源发出的能量被物体反射后落在红外探测器上。
无源红外传感器:
被动红外传感器基本上是红外探测器。被动红外传感器不使用任何红外源和探测器。它们有两种类型:量子和热。热红外传感器使用红外能量作为热源。热电偶、热电探测器和辐射热计是热红外探测器的常见类型。量子型红外传感器提供更高的检测性能。它比热式红外探测器更快。量子型探测器的光敏度与波长有关。
红外传感器电路原理图:
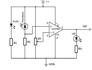
红外传感器的应用电路是障碍物检测电路,如下图所示。该电路可以由光电二极管、红外 LED、运算放大器、LED 和电位器构成,红外 LED 的主要功能是发射红外光,光电二极管用于感测红外光。在该电路中,运算放大器用作电压比较器,传感器的输出可以根据需要通过电位器进行调整。
一旦红外 LED 发出的光照射到物体上,就会落在光电二极管上,那么光电二极管的电阻就会下降。

在这里,运算放大器的阈值输入之一可以通过电位器设置,而其他输入可以通过使用光电二极管的串联电阻来设置。一旦光电二极管上的辐射更大,串联电阻两端的电压降就会更大。在运算放大器中,评估两个电压。
如果串联电阻的电压高于阈值电压,则 IC 输出为高电平。当 IC 输出提供给 LED 时,它会闪烁。所以使用电位器,可以根据环境条件调整阈值电压。
在该电路中,IR 接收器和 IR LED 的布置是一个非常重要的因素。一旦红外 LED 直接放置在红外接收器的前面,这种布置就可以称为直接入射。
因此,在这种情况下,来自红外 LED 的几乎全部辐射都会落在红外接收器上。因此,IR Tx & Rx 之间存在一排视图接触。如果目标落在这一行,它会在接近接收器时通过复制或吸收辐射来阻止发射。
红外传感器的应用:
红外传感器用于各种项目以及各种电子设备。他们都如下,
1.夜视设备
一种在夜视设备中实施的红外技术,如果没有足够的可见光可以独立观看。夜视设备将环境光子转换为电子,然后使用化学和电气过程将它们放大,最后将它们转换回可见光。
2.辐射温度计
用于辐射温度计 来测量温度取决于温度和物体的材料,这些温度计具有以下一些特征——不直接接触物体的测量、更快的响应、简单的图案测量。
3.红外线追踪
红外跟踪或红外寻的,是一种导弹制导系统,它使用从目标发射的红外电磁辐射来跟踪它。
4.红外成像设备
红外图像设备是红外波的主要应用之一,主要是由于其不可见的特性。它用于热成像仪、夜视设备等。
5.其他关键应用领域
·红外成像设备
·夜视设备
·导弹制导
·气体探测器
·水质分析
·水分测定仪
·麻醉学测试
·石油勘探
·铁路安全
·气体分析仪等


