唐人阁论坛2025,一杯茶论坛全国兼职,51茶楼论坛网,一线天品茶论坛

全国服务热线:0755-26993877
当前位置: 首页 > 新闻中心 > 行业动态行业动态

不同输出类型的传感器,每一种传感器类型都有哪些不同?

发布时间:2021-12-20 16:22:59点击量:

  所有传感器都有一个或多个(类型)输出。输出通常发送传感器的当前已知测量值。该信号的外观取决于输出类型。所有这些输出之间有什么区别以及何时使用哪种输出类型?


  传感器可以有许多不同类型的输出。传感器的可能输出决定了传感器可用于哪些应用。反之亦然,也可以这样说:应用程序的类型决定了您需要哪种传感器。在本文中,我们将讨论不同的可能输出。这些是如何工作的以及这些可以应用于哪些用例。


  一、数字与模拟


  首先,我们区分两种类型的输出:模拟输出和数字输出。具有数字输出的传感器发出逻辑值信号?;痪浠八担菏腔蚍?,0或1,真或假,有效或无效。数字输出非常适合指示物体的存在(在一定距离处)或检测是否已达到设定的极限值。传感器是否“看到”物体?是否达到了价值?在检测或未检测期间,逻辑值从0变为1,反之亦然!数字(开关)输出的例子有PNP/NPN、继电器、固态继电器和推拉式。


  具有模拟输出的传感器能够提供与测量值连续平行的信号。模拟信号是可以无间隔地记录值的信号。想象一下室外环境中不断波动的温度,例如钢梁生产中的传送带:模拟输出的变化与传感器测量值的变化大致呈线性平行。另一个例子是距离从0到1.000 cm的变化或温度从200°C下降到20°C。模拟输出的示例是0-10 Vdc、4-20 mA、0-5 Vdc或0-20 mA。


  二、数字输出类型:PNP或NPN


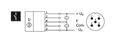
  带有PNP或NPN开关触点的传感器使用晶体管输出。晶体管输出的类型决定了传感器是切换PNP还是NPN。带有PNP或NPN开关量输出的传感器至少配备三根导线;“+”(引脚1/棕色线)、“-”(引脚3/蓝色线)和开关线(引脚4/黑色线)。

不同输出类型的传感器,每一种传感器类型都有哪些不同?(图1)

  推拉式开关量输出


  推拉式输出意味着传感器的开关组件由两个晶体管组成。这是一种可以交替切换PNP和NPN的输出类型。该电路的设计方式是,在某个限制之间的任何电压都会使传感器切换为NPN,而较低的电压则提供PNP输出。具有推拉式输出的传感器用途广泛,可用于需要PNP和NPN输出的应用。优点还在于无需开发相同的传感器,但具有NPN或PNP输出。

不同输出类型的传感器,每一种传感器类型都有哪些不同?(图2)

  固态继电器(SSR)输出


  固态继电器(SSR)也称为光耦合器继电器或半导体继电器。它是一种没有机械开关的继电器,与更传统的继电器相反。传统机械继电器的优点是能够切换更高的功率,但由于运动部件容易磨损。固态继电器通过使用光敏二极管进行切换,因此无磨损。此外,它还能够实现更高的开关频率。

不同输出类型的传感器,每一种传感器类型都有哪些不同?(图3)

  ???、常闭或反等价输出


  所有带有数字开关触点的传感器,无论是PNP/NPN、固态还是推拉式触点,都能够切换???NO)或常闭(NC)。在某些情况下,传感器只切换NO或NC。如果传感器能够切换NO和NC,则称为反价传感器。

不同输出类型的传感器,每一种传感器类型都有哪些不同?(图4)

不同输出类型的传感器,每一种传感器类型都有哪些不同?(图5)

不同输出类型的传感器,每一种传感器类型都有哪些不同?(图6)

  传感器上的4-20 mA输出是一个电气连接(电流回路),由恒定电压(传感器的供电电压,如24 Vdc)供电。它连接到转换器,该转换器将可测量单位转换为4到20 mA之间的直流电。这是工业传感器和通信的标准,其中4 mA代表物理单位的0%,20 mA代表100%。两者之间的一切都是线性划分的。在用于距离测量的传感器中,例如4 mA=0 mm和20 mA=1000 mm。信号从4 mA而不是0 mA开始,因为与0-10 Vdc输出相反,能够区分0信号和故障。使用4-20 mA的另一个优点是信号不受接线电压损失的影响,并且不受电噪声的影响。


  0-10 V电压输出是世界上大多数模拟传感器、控制器和PLC上最常见的“直接”模拟输出。就像4-20 mA输出一样,测量值的起点和终点在0到10 V之间呈线性分布。使用电压工作的传感器输出类型对电噪声更敏感,不适用于长途传输。因为信号从0V开始,所以比电流输出更难检测故障。在某些情况下,电压输出的生产成本更低,这解释了具有4-20 mA输出而不是0-10V输出的模拟传感器价格更高的原因。

地址:深圳宝安区新安街道67区甲岸科技园1号厂房1区5楼  电话:0755-26993877  手机:15012713703
Copyright ? 2021 深圳市藤仓自动化有限公司版权所有 ICP备案编号:粤ICP备16008317号