唐人阁论坛2025,一杯茶论坛全国兼职,51茶楼论坛网,一线天品茶论坛

全国服务热线:0755-26993877
当前位置: 首页 > 新闻中心 > 行业动态行业动态

四相步进电机有什么优点,使用四相步进电机接收脉冲的优势?

发布时间:2022-05-20 17:54:10点击量:

 四相步进电机-步进电机是一种特殊类型的同步电机,其设计用于针对其控制单元接收到的每个电脉冲旋转一个特定的角度(称为步进)。典型的步长为7.5°、15°或更大。步进电机用于开环模式的数控位置控制系统。输入命令采用一串脉冲的形式,以使轴转动指定角度。


 使用步进电机有两个优点。一是它们与数字系统的兼容性,二是位置和速度传感不需要传感器,因为如果需要速度信息,它们是通过对输入脉冲和周期性计数直接获得的。步进电机应用范围广泛;打字机和打印机中的进纸电机,打印头的定位,XY绘图仪中的笔,计算机磁盘驱动器中的记录头以及数控加工设备中工作台和工具的定位。随着这些电机的额定功率越来越大并且成本越来越低,这些电机的应用范围正在扩大。


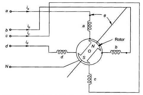
 带有两极转子的四相步进电机的基本操作可以通过下面图表来说明。

四相步进电机有什么优点,使用四相步进电机接收脉冲的优势?(图1)

 让我们假设转子是永磁体励磁的。这样的转子与定子磁场的轴线对齐,扭矩与正弦θ成比例,θ是转子轴线和定子磁场轴线之间的位移角。四相步进电机的转矩角特性如上图所示,a相励磁,b相励磁。很容易观察到,转子的稳定位置对应于扭矩为零的角度,对于较小的角度为正,对于较大的角度为负。因此,在a相激发的情况下,稳定(或锁定)位置是θ=0°但不是θ=180°(不稳定),扭矩在θ=–90°处具有最大正值。因此很容易得出结论,每个相位的励磁模式对应于转子的独特位置。因此,励磁序列a、b、c、d、a...导致转子以正序以90°的步长移动。


 当转子在位置θ=0并且a和b都被激励时,转子将移动到45°,这是一个稳定的位置(由于a和b的净扭矩为零并且扭矩角斜率为负)。所以励磁序列a,a+b,b,b+c,c...使转子以45°的步长向前移动。对于22.5°、11.25°或更小的每脉冲输入到电路的步长,相绕组激励的模式可以很容易地可视化。PM步进电机的另一个特点是,当它被激发时,它会寻找一个在某些应用中提供优势的首选位置。


 现在考虑转子(凸极)仅由铁磁材料(无永磁体)制成。该设备现在充当可变磁阻电机。铁磁转子寻找对定子磁场呈现最小磁阻的位置,即转子轴线与定子磁场轴线对齐。在上图中,a相励磁,这发生在θ=0°以及θ=180°时,转子上的转矩为零。在θ=90°时,转子对相位“a”轴呈现无限磁阻,因此扭矩在那里也为零。因此,转子转矩是sin 2θ的函数,如下图所示。对于减速步进电机,对于给定的励磁或一组励磁,有两个可能的稳定位置。

四相步进电机有什么优点,使用四相步进电机接收脉冲的优势?(图2)

地址:深圳宝安区新安街道67区甲岸科技园1号厂房1区5楼  电话:0755-26993877  手机:15012713703
Copyright ? 2021 深圳市藤仓自动化有限公司版权所有 ICP备案编号:粤ICP备16008317号