唐人阁论坛2025,一杯茶论坛全国兼职,51茶楼论坛网,一线天品茶论坛

全国服务热线:0755-26993877
当前位置: 首页 > 新闻中心 > 行业动态行业动态
一个典型的微型伺服电机提供五种调整方式
2023-04-07一个典型的微型伺服电机提供五种调整方式

微型伺服电机是一种由直流电源(来自外部电源或控制器)供电的电机。一种体积小、重量轻、输出功率大的微型伺服电机被称为微型微型伺服电机。

一个简单微型伺服电机与复杂性伺服电机系统的工作原理
2023-04-07一个简单微型伺服电机与复杂性伺服电机系统的工作原理

伺服电机是一种机电设备,可根据提供的电流和电压产生扭矩和速度。伺服电机作为闭环系统的一部分工作,根据伺服控制器的命令提供扭矩和速度,使用反馈设备关闭环路。

西门子伺服电机在维护服务方便又什么优势?
2023-04-07西门子伺服电机在维护服务方便又什么优势?

虽然其机制与直流电机非常相似,但西门子伺服电机在几个方面与上述电气设备不同。然而,伺服电机的工作过程与直流电机有很大不同。此外,其工作流程侧重于更广泛的项目,其中工作质量在很大程度上非常重要。

标准的小型伺服电机,外在与内在都具有的稳定性能
2023-04-06标准的小型伺服电机,外在与内在都具有的稳定性能

小型化是一种全球趋势,旨在最大限度地提高用户收益,同时最大限度地减少空间、资源和能源占用。公司力求以更低的成本和更紧凑的尺寸获得更大的功率。

无刷直流电机控制器与有刷直流电机控制器电路设计
2023-03-25无刷直流电机控制器与有刷直流电机控制器电路设计

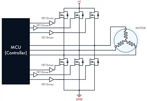
 无刷直流电机控制器可以执行与有刷直流电机控制器相同的功能并应用类似的方法。但是,它们的安排和实施存在一些概念上的差异。典型的无刷直流电机控制器具有半桥或半H桥电路。与H桥不同,此电路配置只有两个开关-一个高侧晶体管和一个低侧晶体管?!〈蠖嗍匏⒌缁?/p>

无刷直流电机控制器,如何调节电机的速度和扭矩?
2023-03-25无刷直流电机控制器,如何调节电机的速度和扭矩?

 一个无刷直流电机控制器调节电机的速度和扭矩;它还可以启动、停止和反转其旋转。要了解控制器的工作原理,让先从构造无刷电机开始。其主要组成部分包括: 一、无刷直流电机工作原理: 电枢或转子由永久磁铁制成,在许多情况下由钕磁铁制成;和带有绕组的定子,在通

永磁同步伺服电机与异步电机驱动器的连接使用
2023-03-25永磁同步伺服电机与异步电机驱动器的连接使用

 由于稀土永磁同步伺服电机的建造成本较高,如果可能的话,异步(感应)电机更容易被接受?;竦靡觳降缁欧刂?400至480 Vac电源电压)的一种方法是使用传统的230/400或230/460 Vac(三角形/星形连接)电机。 通常,三角形连接用于整

无刷直流电机如何实现高效率运作,具有高效率的无刷直流电机!
2023-03-24无刷直流电机如何实现高效率运作,具有高效率的无刷直流电机!

无刷直流电机是一种由直流通过电源供电的同步电机。它产生交流电,并在闭环控制器的帮助下移动电机的特定相位。另外,无刷直流电机也叫换向电机。该系统与PMSM(永磁同步电机)相同。电机有一个控制器,向电机绕组提供电流脉冲,以控制扭矩和速度。

地址:深圳宝安区新安街道67区甲岸科技园1号厂房1区5楼  电话:0755-26993877  手机:15012713703
Copyright ? 2021 深圳市藤仓自动化有限公司版权所有 ICP备案编号:粤ICP备16008317号