超声波传感器UB2000-F42-U-V15
超声波传感器UB2000-F42-U-V15(漫反射型和反射板型超声波传感器)
| 【产品功能描述】 | |
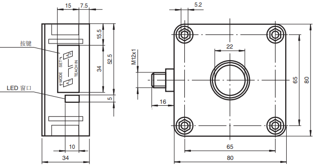
| 使用UB2000-F42-U-V15接近开关侧面的两个按键可以进行参数设定。超声波声锥的宽度也可以根据传感器安装位置的需要进行调整。 | ||
| 【附件产品】 | ||
·V15-G-2M-PVC母头连接器 ·V15-W-2M-PUR母头连接器 ·MH04-3505辅助安装件 ·MHW11辅助安装件 | ||
产品·特点
——超声波传感器UB2000-F42-U-V15产品特性——
●模拟量输出0V...10V ●盲区小 ●可设定 ●固定干扰源抑制(在近距离内调整声锥的宽度) ●温度补偿 ●同步功能 ●工作模式可选 |
|
产品·规格参数
——超声波传感器UB2000-F42-U-V15产品规格——
一般说明——
检测范围:60...2000mm
调节范围:90...2000mm
盲区:0...60mm
标准目标板:100mmx100mm
换能器频率:约175kHz
响应延时:约150ms
输出——
输出类型:1个模拟量输出0...10V
默认设置:测量边界A1:90mm,测量边界A2:2000mm,宽声锥
精度:0.7mm
特性曲线偏差:±1%的满量程值
重复精度:±0.1%的满量程值
负载阻抗:>1kOhm
温度漂移:±1%的满量程值
周围环境——
环境温度:-25...70oC(248...343K)
储存温度:-40...85oC(233...358K)
工作方式/显示方式——
LED绿色:常亮:通电
LED黄色:常亮:开关状态输出;闪烁:设定状态
LED红色:正常工作状态:"出错";设定状态:未检测到目标物
电气参数——
工作电压:17...30VDC,纹波10%PP
空载电流:≤50mA

为避免相互干扰,接近开关带有一个同步连接端。如果不使用同步功能,接近开关根据内部周期工作。多个接近开关的同步功能可以通过以下方法实现。
外部同步:
接近开关可以通过外部提供方波信号实现同步。同步输入端的一个同步脉冲启动一个测量周期,脉冲宽度必须大于100us,测量周期开始于脉冲信号的下降沿。当同步输入端输入低电平的持续时间>1s或不接时,接近开关将进入标准工作模式。同步输入端输入高电平将使接近开关停止工作。
使用外部同步时的两种工作模式:
-多个接近开关用同一个同步信号控制,接近开关同步工作
-同步脉冲循环地加在每个接近开关上,接近开关工作在多重模式
自同步:
最多可将5个带有自同步选项的接近开关的同步端连接在一起。上电后接近开关将工作在多重模式下,响应延时将随同步工作的传感器数目的增加而增加。当接近开关进入学习模式时,不能使用同步功能(使用同步功能时,也不能进入学习模式)。要设定开关点时,接近开关必须工作在非同步模式下。
注意:
如果不需要使用同步功能,同步输入端应该接地(0V),也可选用V1连接器(4针)。




