电感式传感器NEB4-8GM45-E2
发布时间:2022-05-04 16:54:29点击量:
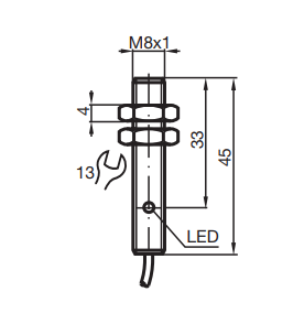
电感式接近开关/电感式传感器NEB4-8GM45-E2
| 【产品功能描述】 | |
| 电感式接近传感器NEB4-8GM45-E2的工作原理:当金属目标进入由线圈产生的磁场时,涡流在目标内循环。这会导致传感器负载降低振荡器的振幅。随着目标进一步靠近传感器,振荡器的幅度减小。触发电路通常是施密特触发器。它监控振荡器的幅度。如果振荡器的幅度达到预定水平,则触发电路将信号提供给输出电路以打开输出。 | ||
| 【附件产品】 | ||
| ·安装支架:BF 8 | ||
产品·特点
——电感式传感器NEB4-8GM45-E2产品特性——
?标准系列 ?4 mm类齐平安装 ?检测距离增长 |
|
产品·规格参数
——电感式传感器NEB4-8GM45-E2产品功能——
通用规格参数——
·开关点功能:PNP???/p>
·额定动作距离sn:4 mm
·安装:类齐平安装
·输出极性:DC
·可靠动作范围sa:0...3.24 mm
·衰减系数rAI:0.25
·衰减系数rCu:0.22
·衰减系数rV2A:0.65
工作方式——
·工作电压UB:10...30 V
·开关频率f:0...500 Hz
·反极性?;ぃ菏?/p>
·短路?;ぃ郝龀?/p>
·电压降Ud:≤2 V
·工作电流IL:0...200 mA
·漏电流Ir:0...0.1 mA典型值0.1μA在25oC时
·空载电流Io:≤10 mA
·开关状态指示:黄色LED指示灯
工作环境——
·环境温度:-25...70oC(248...343 K)
机械特性——
·接线形式:2 m,PUR电缆
·导线截面积:0.14 mm2
·外壳材料:黄铜,镀铬
·感应面:PBT
·防护等级:IP67





