电感式传感器 NMB5-18GM65-Z0-NFE-V1
电感式传感器 NMB5-18GM65-Z0-NFE-V1
| 【产品功能描述】 | |
| 电感式传感器 NMB5-18GM65-Z0-NFE-V1 是非接触式传感器。他们可以在没有身体接触的情况下检测物体。他们发现它们在检测工业自动化环境中的金属物体方面得到了应用。这包括由铁、铜和铝制成的物体。 电感式接近传感器的感应范围取决于材料类型。感应式接近传感器最适用于黑色金属(铁物体),但我们也可以使用它们来检测其他金属物体。 | ||
| 【附件产品】 | ||
·V1-W-2M-PUR:电缆插头,M12,4针,PUR电缆 ·V1-G-2M-PUR:电缆插头,M12,4针,PUR电缆 ·AB-18:安装附件 | ||
产品·特点
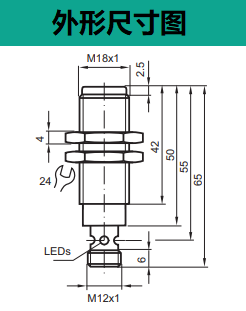
——电感式传感器 NMB5-18GM65-Z0-NFE-V1 产品特性——
●不锈钢感应面 ●检测距离5 mm ●2-线DC ●有色金属目标物(非铁金属) 【附件·电路接线方式图】
|
|
产品·规格参数
——电感式传感器 NMB5-18GM65-Z0-NFE-V1 产品规格——
通用规格—— ·开关点功能:DC NO ·额定检测距离sn:5 mm ·安装:齐平安装 ·输出极性:DC ·可靠动作距离sa:0...4.05 mm ·目标检测物:非铁金属 ·衰减系数rAl:1 ·衰减系数rCu:1.1 ·衰减系数rV2A:0 ·衰减系数r1.4401:0 ·衰减系数rSt37:0 ·衰减系数rBrass:0.9 工作环境—— ·环境温度:-40...70oC(-40...158oF) | 工作方式/显示方式—— ·工作电压UB:6...30 V ·开关频率f:30 Hz ·迟滞H:3...15典型值5% ·反极性?;ぃ河?/p> ·短路?;ぃ何?/p> ·电压降Ud:≤5.5 V DC ·工作电流IL:2...100 mA ·漏电流Ir:≤1 mA ·工作状态指示:4路LED指示 机械规格特性—— ·接线形式:连接器M12 x 1,4针 ·外壳材料:不锈钢1.4305/AISI 303 ·感应面:不锈钢1.4305/AISI 303 ·防护等级:IP67/IP68/IP69K |





