电感式传感器 NBN40-L2-E0-V1
倍加福电感式传感器 NBN40-L2-E0-V1(电感式接近开关)

电感式接近传感器 NBN40-L2-E0-V1使用两种方法工作。在第一种操作方法中,随着目标接近传感器,感应电流增加,这增加了振荡电路上的负载,导致其振荡衰减或停止。传感器通过振幅检测电路检测该振荡状态的变化,并输出检测信号。
另一种操作方案使用由导电目标的存在引起的振荡频率而不是幅度的变化。接近传感器的铝或铜等有色金属目标会导致振荡频率增加,而铁或钢等黑色金属目标会导致振荡频率降低。振荡频率相对于参考频率的变化会导致传感器的输出状态发生变化。
产品·特点
——电感式传感器NBB2-8GM50-E0产品特性——
■基本系列
■40mm非齐平安装
■快速安装支架
■4-路LED指示灯



一般说明——
开关点功能:NPN???/p>
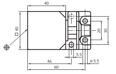
额定动作距离sn:40 mm
安装:非齐平安装
输出极性:DC
可靠动作范围sa:0...32.4 mm
衰减系数rAI:0.3
衰减系数rCu:0.28
衰减系数rV2A:0.75
衰减系数rMs:0.38
额定等级——
工作电压UB:10...30 V
开关频率f:0...150 Hz
迟滞H:典型值5%
反极性?;ぃ菏?/p>
短路?;ぃ郝龀?/p>
电压降Ud:≤2 V
设计数据
工作电流IL:0...200 mA
漏电流Ir:0...0.5 mA
空载电流Io:≤20 mA
工作电压显示:绿色LED指示灯
开关状态指示:黄色LED指示灯
符合标准——
标准:IEC/EN 60947-5-2:2004
周围环境——
环境温度:-25...85oC(248...358 K)
储藏温度:-40...85oC(233...358 K)
机械特性——
接线形式:V1-连接器
外壳材料:PA-GF35
感应面:PA-GF35
防护等级:IP69K
认证和证书
防护等级:II
额定绝缘电压Ui:253 V
设计抗冲击电压Uimp:4000 V


