加长旋钮型DJK11/DJK12手动位移滑台
发布时间:2025-06-20 17:42:47点击量:


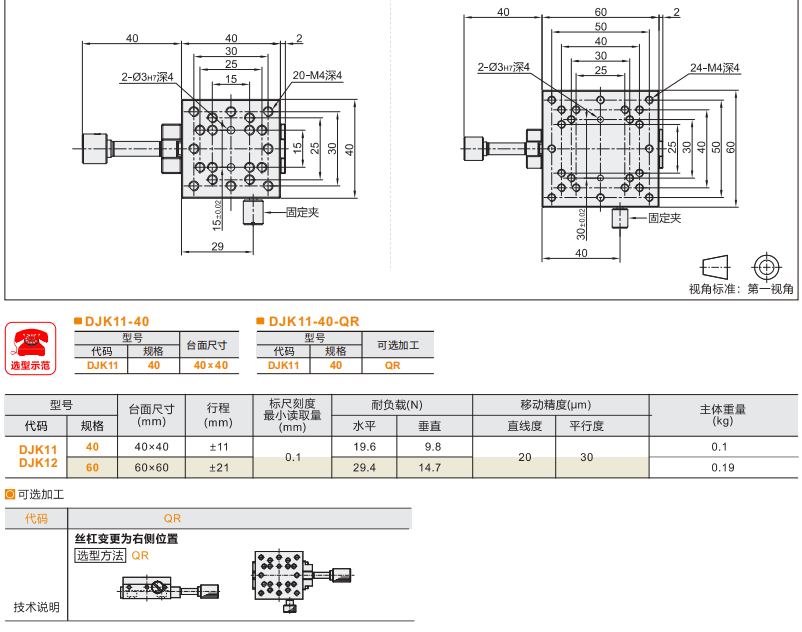
DJK11/DJK12手动位移滑台采用高精度滚珠丝杠驱动与双直线导轨导向系统,实现高刚性、高精度的线性位移调节。DJK11为标准型,定位精度±0.01mm;DJK12为增强型,配备预紧式导轨,精度提升至±0.005mm。适用于半导体设备、精密检测等对刚性和精度要求严苛的领域。主体采用硬质氧化铝合金,兼具轻量化与耐磨特性。
产品特点:
(1)高精度定位:滚珠丝杠驱动(DJK12预紧式导轨),重复定位精度最高±0.005mm
(2)平稳运动:双直线导轨导向,抗偏载能力强
(3)??榛杓疲杭嫒莸缍魃叮裳。?/p>
(4)耐用结构:硬质氧化处理,防腐蚀抗磨损
(5)多功能接口:标准安装孔位,适配各类夹具




