单双剪刀型DLE01/DLE11手动位移滑台
发布时间:2025-06-26 15:23:15点击量:


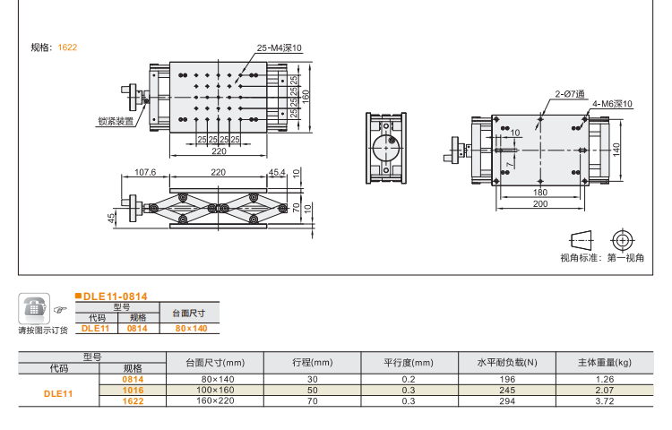
DLE01(单剪刀型)和DLE11(双剪刀型)手动位移滑台采用独特的剪刀式升降结构,实现垂直方向的精密定位。DLE01单剪刀结构紧凑,适用于轻负载;DLE11双剪刀设计稳定性更强,承载能力更高。两款均配备精密丝杆或手轮驱动,广泛应用于光学调整、实验室仪器及自动化设备的Z轴精密定位。
一、产品特点:
1、DLE01(单剪刀型):
·单剪刀臂结构,体积小巧
·自重轻,移动灵活
·基础型垂直定位方案
·性价比高


2、DLE11(双剪刀型):
·双剪刀臂对称设计
·升降过程更平稳
·抗偏载能力强
·可选配高精度微调机构


二、性能参数:
·行程范围:50-150mm(可定制)
·重复定位精度:±0.01mm(微调型号)
·最大负载:DLE01 15kg,DLE11 30kg
·升降方式:精密丝杆驱动
·稳定性:DLE11双剪刀结构晃动度<0.005°
三、主要作用:
·光学平台高度精密调整
·显微镜等仪器Z轴定位
·自动化设备垂直向微调
·实验室样品台高度控制


