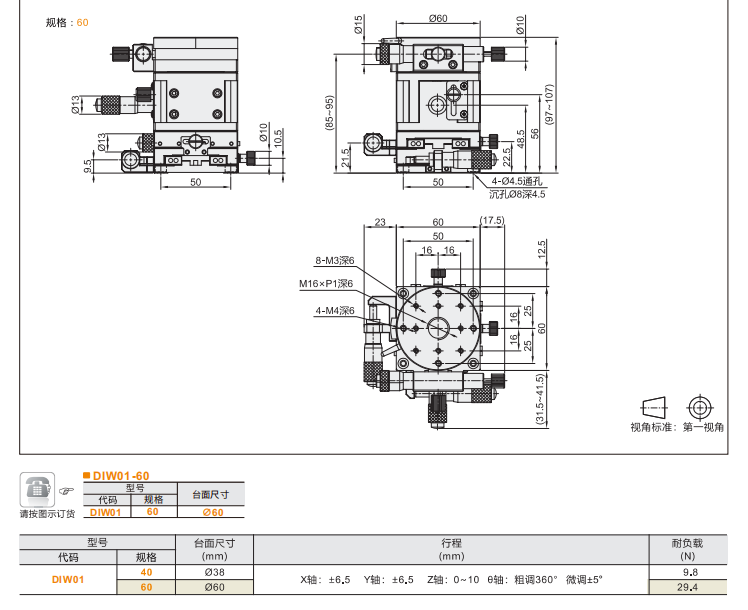
微分头驱动型DIWO1手动位移滑台
发布时间:2025-06-27 11:43:45点击量:


高精度微分头驱动DIWO1手动位移滑台,分辨率达0.5μm,配备交叉滚柱导轨,重复定位精度±0.002mm。硬质氧化铝合金主体兼具轻量化与高刚性,适用于超精密光学调整、微纳加工定位等亚微米级需求场景,是科研实验与高端制造的理想微位移平台。
一、产品特点
·超微米驱动:0.5μm微分头,支持0.1μm微调(选配)
·零背隙结构:弹性预紧机构消除回程误差
·热稳定设计:低热膨胀材料+隔热底座接口
·全封闭导轨:防尘密封,适合洁净环境
·??榛┱梗褐С諼YZ多轴串联
二、性能参数
·分辨率:0.5μm(标配),可选0.1μm高精度微分头
·重复精度:±0.002mm(20℃恒温环境)
·最大负载:10kg(水平)/5kg(垂直)
·行程范围:10-25mm(标准款),可定制50mm
·温度敏感性:≤0.05μm/℃(配合恒温底座)


三、核心应用
1.超精密光学元件装调
2.扫描探针显微镜样品定位
3.微电子封装设备对准
4.量子实验装置微位移控制


