唐人阁论坛2025,一杯茶论坛全国兼职,51茶楼论坛网,一线天品茶论坛

全国服务热线:0755-26993877
当前位置: 首页 > 新闻中心 > 行业动态行业动态

驱动步进电机控制器电路有哪些使用说明?

发布时间:2022-05-30 17:27:36点击量:

 一、电机驱动电路

 这是驱动步进电机线圈的电路。有分别驱动线圈、线圈、线圈和线圈的电路。

 达林顿连接型晶体管用于线圈的驱动。至于达林顿连接,内部串联了2级晶体管。这个晶体管的“hfe”是内部每个晶体管的“hfe”的乘积。本次使用的2SD1209K,hfe在4000以上。由于输入电流与输出电流之比大,可以使控制信号的上升沿和下降沿变尖。

 放置在集电极和电源之间的二极管用于?;ぞ骞?。当晶体管从ON变为OFF时,电机的线圈试图继续通过电流并产生高压。由该电压产生的电流被施加到二极管,并且防止了施加在晶体管上的高电压。

驱动步进电机控制器电路有哪些使用说明?(图1)

 二、速度控制电路

 这是控制电机转速的电路。

 当RB7变为H电平时,TR1变为ON状态。在这种情况下,电容器C1的电荷流过晶体管,电容器两端的电压几乎变为0 V。

 当RB7变为L电平时,晶体管变为OFF状态。在这种情况下,电流通过VR1和R4流入电容器C1,开始对电容器充电。随着充电完成,电容器两端的电压逐渐变高。至于这个电压的变化,请参考“积分电路”。

 RB5检测电容的电压。PIC的软件中断电机的控制,直到RB7变为L电平,RB5变为H电平后检查RB5。使VR1的值变小,电容器的充电时间变短,电机的控制变快。增大VR1时电机的控制变慢??梢酝ü谋涞缛萜鞯闹道锤谋渌俣瓤刂品段?。

驱动步进电机控制器电路有哪些使用说明?(图2)

 三、启动/停止电路

 这是用于顺时针旋转、逆时针旋转或停止电机的电路。使用非锁的接力棒开关。上拉电阻用于在开关关闭时端口变为H电平。PIC16F84A的RB端口具有内部上拉功能。但是,由于此时电路中的电容电压检测使用的是RB5,所以没有使用内部上拉特性。如果使用RA端口对电容进行电压检测,则可以使用RB内部上拉功能。本次电路在图形关系中放置了一个外部上拉电阻。

驱动步进电机控制器电路有哪些使用说明?(图3)

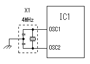
 四、使用振荡器

 4-MHz谐振器是因为这次电路不需要高速运行。

驱动步进电机控制器电路有哪些使用说明?(图4)

 五、电源电路

 该电路的目的是当步进电机的电源超过5V时,将PIC的电源电压保持在5V。

 因为这次要使用的步进电机的工作电压约为5V,所以电源电压为+5V。在这种情况下,由于稳压器的电压降(约1V),施加到PIC的电压变得小于5V。PIC16F84A的工作电压范围为2V至5.5V,即使功率下降到3V左右也可以工作。100mA型就足够了。

驱动步进电机控制器电路有哪些使用说明?(图5)

地址:深圳宝安区新安街道67区甲岸科技园1号厂房1区5楼  电话:0755-26993877  手机:15012713703
Copyright ? 2021 深圳市藤仓自动化有限公司版权所有 ICP备案编号:粤ICP备16008317号