唐人阁论坛2025,一杯茶论坛全国兼职,51茶楼论坛网,一线天品茶论坛

全国服务热线:0755-26993877
当前位置: 首页 > 新闻中心 > 行业动态行业动态

步进电机驱动电路分为哪些线路方式,步进电机驱动电路的线圈图

发布时间:2022-05-30 17:46:29点击量:

 单极和双极驱动器架构最常用于步进电机。


 单极步进电机是指2线圈5线或6线的步进电机。即在一个线圈的中间增加一个抽头。5行可以看成6行??梢粤恿礁鱿呷Φ牧教踔屑湎摺S捎谝桓鱿呷Φ闹屑溆谐橥?,电流可以在一个线圈的中途向不同的方向流动,但只使用了电机线圈的一半。

单极电路

 单极驱动电路采用四个晶体管驱动两相步进电机.电机配置如图1所示,由两组带中心抽头的线圈组成,整个电机共有6根线与外部相连。六线步进电机虽然也称为单极步进电机,但实际上可以同时使用单极或双极驱动电路。


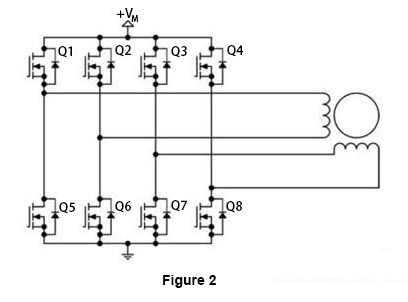
 双极步进电机是指2线圈4线的步进电机。电流可以在两个线圈中正向和反向流动,因此称为双极性。


 双极步进电机的驱动电路如图2所示,它使用8个晶体管驱动两相。双极驱动电路还可以驱动四线或六线步进电机.虽然只能使用双极驱动电路,但四线电机可以显着降低量产应用的成本。双极步进电机驱动电路中使用的晶体管数量是单极驱动电路中晶体管数量的两倍,其中四个下部晶体管通常由单片机直接驱动,而上部晶体管需要一个成本较高的上部驱动电路。双极驱动电路中使用的晶体管只需要承受电机电压即可。因此,它们不需要像单极驱动电路那样钳位相同的电路。

步进电机驱动电路分为哪些线路方式,步进电机驱动电路的线圈图(图2)

 双极电机对于一个线圈的正向和反向电流的应用效率高。对于单极步进电机,效率低,大部分时间只使用一半线圈。然而,在严格的成本要求方面,单极电机被广泛应用。


 现在,为了进一步了解步进电机驱动电路,我们将以我们的步进电机ATO47-1684A和步进驱动器ATODSP42为例。ATO47-1684A是2相4线双极步进电机,步距角为1.8度。

步进电机驱动电路分为哪些线路方式,步进电机驱动电路的线圈图(图3)

 ATODSP42是一款采用最新32位DSP控制技术的闭环数字2相步进电机驱动器,适用于Nema 11、14、17步进电机。如图3所示,很容易找到步进电机与步进电机驱动器的连接方法。

地址:深圳宝安区新安街道67区甲岸科技园1号厂房1区5楼  电话:0755-26993877  手机:15012713703
Copyright ? 2021 深圳市藤仓自动化有限公司版权所有 ICP备案编号:粤ICP备16008317号