电容式传感器 CBN5-F46-E0
发布时间:2021-07-02 18:23:16点击量:

电容式传感器 CBN5-F46-E0产品描述:
电容式传感器是一种将测量的机械量转换为电容变化的传感器。 它的敏感部分是可变参数的电容器。 电容式传感器可分为极距变化型、面积变化型和介质变化型三种。 极距变化型一般用于测量由力、压力、振动等引起的微小线性位移或极距变化。面积变化型一般用于测量角位移或较大的线性位移。 介质变化型常用于各种介质的液位测量和温度、密度、湿度的测定。
电容式传感器 CBN5-F46-E0产品特点:
? 基本系列
? 5 mm 非齐平安装
? 扁平外壳
? 电缆线的安装槽
? 螺纹安装孔
电容式传感器 CBN5-F46-E0产品相关型号:
CBN5-F46-E0,CBN5-F46-E2,CBN5-F46-E1,CBN5-F46-E2-10M,
CBN5-F46-E3,CBN5-F46-E0-Y70121257,CBN5-F46-E2-Y70121258,
CBN5-F46-E3-Y190040,CBN5-F46-E0-Y286690,CBN5-F46-E2-Y320222,
CBN5-F46-E3-0,76M-V1-Y,CBN10-F46-E0,CBN2-F46-E0
电容式传感器 CBN5-F46-E0产品规格参数:

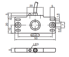
电容式传感器 CBN5-F46-E0外形尺寸:



