槽型光电传感器 GL5-L/43a/115
发布时间:2021-07-06 16:46:27点击量:

槽型光电传感器 GL5-L/43a/115的工作原理是把一个光发射器和一个接收器面对面地装在一个槽的两侧的是槽形光电。发光器能发出红外光或可见光,在无阻情况下光接收器能收到光。但当被检测物体从槽中通过时,光被遮挡,光电开关便动作。输出一个开关控制信号,切断或接通负载电流,从而完成一次控制动作。槽形开关的检测距离因为受整体结构的限制一般只有几厘米。
槽型光电传感器 GL5-L/43a/115产品描述:
GL5 小型光电槽型传感器体积小巧,光学性能出众。满足半导体工业微型物体的检测需求。在同类产品中具有 DC 5 - 24 V 的宽电压范围和 高达 5 kHz 的最快开关频率。内部集成的聚焦孔使传感器能检测尺寸为0.8 x 1.8 mm的微型物体。传感器提供 NPN 或者 PNP 输出。多样且优化的外壳使传感器最大程度地适用于拥挤环境中。
槽型光电传感器 GL5-L/43a/115产品特点:
? 微型设计
? 适宜小物体检测
? 开关频率高
? 安装快速简单
? 清晰的可视 LED 功能显示
槽型光电传感器 GL5-L/43a/115产品相关型号:
GL5-L/43a/115
GL5-F/43a/115
GL5-R/43a/115
GL5-T/43a/115
GL5-U/43a/115
GL5-Y/43a/115
GL5-J/43a/115
GL5-R/43a/115-5M
GL5-T/43a/115e
GL5-L/43a/115-5M
GL5-T/43a/115a
GL5-L/43a/115a
GL5-Y/43a/115-5M
槽型光电传感器 GL5-L/43a/115产品规格参数:

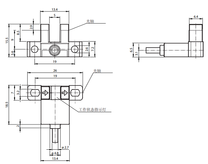
槽型光电传感器 GL5-L/43a/115外形尺寸:



