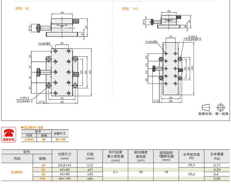
标准型DJNO1手动位移滑台
发布时间:2025-06-20 17:48:28点击量:

DJNO1手动位移滑台采用高精度直线导轨与蜗轮蜗杆驱动机构,实现大负载、高刚性的精密位移调节。其独特的双导轨结构设计确保运行平稳可靠,定位精度达±0.005mm,特别适用于工业自动化、机械加工等需要重载精密定位的场合。主体采用优质碳钢材质,表面镀硬铬处理,兼具高强度与优异的耐磨性能。

核心特点:
(1)重载设计:双直线导轨结构,最大负载可达800N
(2)精密驱动:蜗轮蜗杆机构,自锁防退,调节分辨率0.005mm
(3)稳定可靠:全钢制结构,抗冲击性强
(4)工业级防护:全密封式导轨,IP54防护等级
(5)便捷操作:大型调节手轮带刻度显示,操作省力




