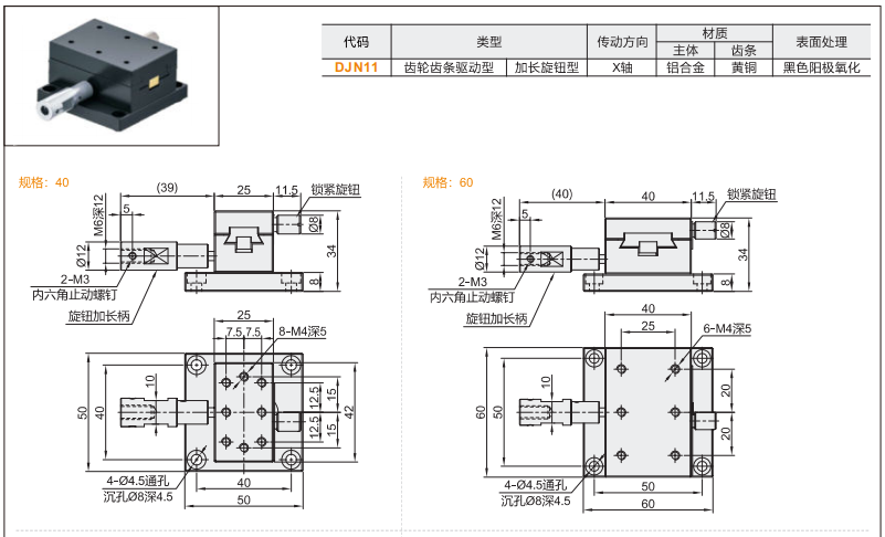
加长旋钮型DJN11手动位移滑台
发布时间:2025-06-20 17:50:09点击量:

产品概述:
DJN11手动位移滑台采用精密交叉滚柱导轨结构,配合千分尺微进给机构,实现超高精度直线位移调节。其独特的预压式导轨设计确保运动平稳无间隙,定位精度可达±0.002mm,专为光学检测、精密测量等超精密应用场景设计。主体采用特殊合金钢材质,经深冷处理工艺,具备卓越的尺寸稳定性和温度适应性。

核心优势:
(1)纳米级精度:交叉滚柱导轨+千分尺驱动,分辨率0.001mm
(2)零间隙运动:预压式导轨设计,消除反向间隙
(3)温度稳定性:特殊合金钢材质,热变形系数<0.5μm/℃
(4)多功能接口:标准化安装面,兼容光学平台组件
(5)超长寿命:导轨硬度HRC60+,耐磨寿命>50km




